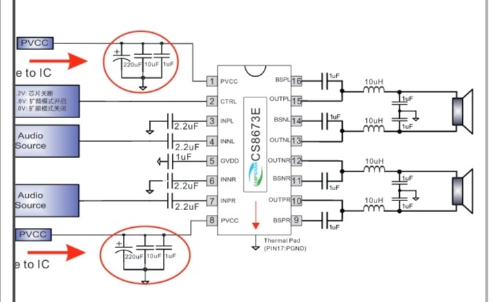
ای سی CS8673E تقویت کننده پکیج SOP-16 اصلی
ای سی تقویت کننده صوت با کلاس D از برند CHIPSTAR با تعداد پایه 16 عدد و کیفیت اورجینال از برند CHIPSTAR میباشد ، از این آی سی بیشتر برای انواع تقویت کننده های صوتی یا امپلی فایر ها استفاده میشود برای اطلاعات فنی دقیق حتما دیتا شیت را مطالعه نمایید.
ایسی CS8673E یک تقویتکننده صدای استریو 2×40 وات است؛ در حالت مونو، میتواند تا 80 وات از توان تقویتکننده صوتی کلاس D با کارایی بالا را تولید کند. فناوری EMI این امکان را فراهم میکند که از فریت بد ارزانقیمت در پورت خروجی استفاده شود تا نیازهای EMC را برآورده کند.
ای سی CS8673E تقویت کننده پکیج SOP-16 اصلی برای سیستمهایی طراحی شده است که نیاز به تولید توان صوتی با کیفیت بالا دارند. با استفاده از تکنولوژی نصب سطحی، تنها تعداد کمی از اجزاء جانبی مورد نیاز است، که به سیستمها این امکان را میدهد که به راحتی توان خروجی صوتی با کیفیت بالا را فراهم کنند.
این تقویتکننده صوتی دارای قابلیت حفاظت در برابر جریان بیش از حد، حفاظت در برابر اتصال کوتاه و حفاظت در برابر گرمایش است. این ویژگیها به طور موثر از آسیب به تراشه در شرایط کاری نامعمول جلوگیری میکنند.
قادر به تغذیه بلندگوها با بارهایی با مقاومت حداقل 4 اهم است، CS8673E میتواند تا 80 وات از توان مداوم را فراهم کند. با کارایی تا 92٪، نیازی به رادیاتورهای حرارتی اضافی در زمان پخش موسیقی وجود ندارد.
با بستهبندی کوچک ESOP16، CS8673E مزایای صرفهجویی در فضای برد PCB را برای مشتریان فراهم میکند. دامنه دمای عملیاتی ارتقاء یافته از (-۴۰ تا ۸۵ درجه )، عملکرد قابل اعتماد را در شرایط محیطی مختلف تضمین میکند.
دیتا شیت محصول در این لینک موجود میباشد.

این آی سی در پنل های زیر استفاده شده است.







![فیش مادگی صدا ]چهار تایی RCA4](https://www.shopani.ir/wp-content/uploads/2023/10/9ae5dfc88a7a34bbd53ca96dc70c9bc6ad684db6_1606820213-247x247.webp)

دیدگاهها
هیچ دیدگاهی برای این محصول نوشته نشده است.